digitalisation d\'une 231 c60 SNCF JOUEF ref: 835
Modérateurs : Patrice, Arnaud Guyon, Philippe Cousyn, Tibrus
-
gex1606
- Coucou

- Messages : 6
- Enregistré le : 03 mai 2013 17:17
- Contact :
digitalisation d\'une 231 c60 SNCF JOUEF ref: 835
Peut-on digitaliser ces machines?
Si oui y a t-il quelqu\'un qui peut me l\'expliquer en détails?
Par avance merci.
Si oui y a t-il quelqu\'un qui peut me l\'expliquer en détails?
Par avance merci.
-
rako25
- CC 7107

- Messages : 2721
- Enregistré le : 09 févr. 2011 08:49
- Contact :
Re: digitalisation d\'une 231 c60 SNCF JOUEF ref: 835
Bonsoir,
Oui on peut tout digitaliser, moi-même je possède 3 locomotives JOUEF 231C mais avec le moteur dans le tender qui sont en attente de digitalisation (en fait j\'en ai 56 à modifier).
Ta machine doit avoir un moteur type M40 dit \"saucisson\", 12 volts, logé dans la chaudière et la je ne connais pas du tout mais cela doit être possible car j\'ai vu un site sur le net à ce sujet mais je ne ma rappelle pas lequel, il faut que je fouille.
Après renseignement pris auprès d\'un préparateur (LMJ), il faut améliorer le captage du courant sur ces anciennes machines si on veut un bon fonctionnement.
Pour ma part j\' ai déjà digitalisé 12 locomotives et je suis novice en la matière mais avec les conseils et de la recherche on y arrive.
Roger
Oui on peut tout digitaliser, moi-même je possède 3 locomotives JOUEF 231C mais avec le moteur dans le tender qui sont en attente de digitalisation (en fait j\'en ai 56 à modifier).
Ta machine doit avoir un moteur type M40 dit \"saucisson\", 12 volts, logé dans la chaudière et la je ne connais pas du tout mais cela doit être possible car j\'ai vu un site sur le net à ce sujet mais je ne ma rappelle pas lequel, il faut que je fouille.
Après renseignement pris auprès d\'un préparateur (LMJ), il faut améliorer le captage du courant sur ces anciennes machines si on veut un bon fonctionnement.
Pour ma part j\' ai déjà digitalisé 12 locomotives et je suis novice en la matière mais avec les conseils et de la recherche on y arrive.
Roger
-
gex1606
- Coucou

- Messages : 6
- Enregistré le : 03 mai 2013 17:17
- Contact :
Re: digitalisation d\'une 231 c60 SNCF JOUEF ref: 835
Oui effectivement le moteur est dans la chaudière (années 63-64).
En tous les cas merci pour ta réponse.
J-Marc
En tous les cas merci pour ta réponse.
J-Marc
- Didier COUNASSE
- Divine

- Messages : 2259
- Enregistré le : 31 mai 2012 13:47
- Contact :
Re: digitalisation d\'une 231 c60 SNCF JOUEF ref: 835
Salut gex1606,
pour ton info, voici un schéma type :

Comme tu peux le voir, il suffit (et ici c\'est très simpliste ce que je dis), de raccorder l\'alimentation provenant des essieux au décodeur (voir couleur fil) et de bancher les pôles des moteurs avec les deux fils sorties du décodeur.
Et ce avec n\'importe qu\'elle machine (si tu as de la place pour mettre ton décodeur :blink: )
Ditch
pour ton info, voici un schéma type :
Comme tu peux le voir, il suffit (et ici c\'est très simpliste ce que je dis), de raccorder l\'alimentation provenant des essieux au décodeur (voir couleur fil) et de bancher les pôles des moteurs avec les deux fils sorties du décodeur.
Et ce avec n\'importe qu\'elle machine (si tu as de la place pour mettre ton décodeur :blink: )
Ditch
- Fichiers joints
-
- dcodeur_schma0001.JPG (50.37 Kio) Vu 6798 fois
Le modélisme est un art - 
-
rako25
- CC 7107

- Messages : 2721
- Enregistré le : 09 févr. 2011 08:49
- Contact :
Re: digitalisation d\'une 231 c60 SNCF JOUEF ref: 835
Bonsoir gex1606
Avant de commencer à me mettre au digital j\'ai recherché sur le net et j\'ai démarrer avec les informations trouvé sur ce site http://le.train.digital.free.fr/montagedec/jouef.htm
C\'est relativement simple et il faut un fier à souder.
Roger
Avant de commencer à me mettre au digital j\'ai recherché sur le net et j\'ai démarrer avec les informations trouvé sur ce site http://le.train.digital.free.fr/montagedec/jouef.htm
C\'est relativement simple et il faut un fier à souder.
Roger
-
gex1606
- Coucou

- Messages : 6
- Enregistré le : 03 mai 2013 17:17
- Contact :
Re: digitalisation d\'une 231 c60 SNCF JOUEF ref: 835
Merci pour ta réponse Ditch.
-
Alain17
- Chieuvre

- Messages : 186
- Enregistré le : 21 avr. 2007 22:03
- Contact :
Re: digitalisation d\'une 231 c60 SNCF JOUEF ref: 835
rako25 écrit:

Excellent !!!...C\'est relativement simple et il faut un fier à souder.
- Tibrus
- Modérateur

- Messages : 9874
- Enregistré le : 31 mai 2008 08:23
- Localisation : Dans mon sous-sol
- Epoque(s) : IV, V et VI
- Région(s) pratiquée(s) : Un penchant pour Rhone Alpes
- Echelle(s) pratiquée(s) : H0
- Contact :
Re: digitalisation d\'une 231 c60 SNCF JOUEF ref: 835
Didier COUNASSE écrit:
rako25 écrit:
Sinon le site résume bien je trouve la digitalisation de base d\'une motrice. Excellent.
Dans cette problématique et en fonction de la consommation de ma motrice, ne pas oublier de regarder du coté des décodeurs en N(si tu as de la place pour mettre ton décodeur :blink: )
rako25 écrit:
J\'ai modifier le lien de ton message précédent, à éviter les adresses web entre guillemetAvant de commencer à me mettre au digital j\'ai recherché sur le net et j\'ai démarrer avec les informations trouvé sur ce site http://le.train.digital.free.fr/montagedec/jouef.htm
Sinon le site résume bien je trouve la digitalisation de base d\'une motrice. Excellent.
-
Serge de Bollène
- Picasso

- Messages : 426
- Enregistré le : 30 mars 2012 19:41
- Contact :
Re: digitalisation d\'une 231 c60 SNCF JOUEF ref: 835
Sur cette loco, on pourrait mettre le décodeur dans le tender, ce qui impliquerait de faire passer quatre fils (deux aller, deux retour) entre la loco et le tender, et pour améliorer la prise de courant, remplacer les essieux du tender pour les rendre capteurs, ce qui, si on se passe de la captation du courant par la loco, ne nécessiterait que deux fils entre loco et tender.
Ce ne sont que quelques idées d\'un modeste bricoleur qui rêve lui aussi de faire rouler la même machine un jour sur son (futur) réseau.
Amicalement.
Ce ne sont que quelques idées d\'un modeste bricoleur qui rêve lui aussi de faire rouler la même machine un jour sur son (futur) réseau.
Amicalement.
Amicalement,
Serge
Serge
- papybricolo
- Iroquois

- Messages : 134
- Enregistré le : 16 févr. 2011 23:55
- Localisation : Picardie & Ile de France
- Contact :
Re: digitalisation d\'une 231 c60 SNCF JOUEF ref: 835
Serge de Bollène écrit:
une de dernière génération (la verte avec les filets )avait le moteur (placé en biais) dans le tender...et donc bien entendu ce fut facile...
les 3 autres équipées de moteurs saucisson l\'option a été prise effectivement de placer le décodeur dans le tender..mais on voit les fils passer ...
Par la suite sur le net j\'ai trouvé un internaute qui avait réussi (en rognant du lest) a caser le décodeur sous la chaudière..
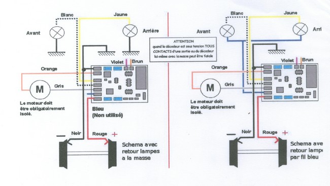
Voici les images

et voici les branchements

Amicalement
Jean-Claude
http://www.lesamisdurailftm.net/
Sur mes 4 locos qui sont digitalisées :Sur cette loco, on pourrait mettre le décodeur dans le tender, ce qui impliquerait de faire passer quatre fils (deux aller, deux retour) entre la loco et le tender, et pour améliorer la prise de courant, remplacer les essieux du tender pour les rendre capteurs, ce qui, si on se passe de la captation du courant par la loco, ne nécessiterait que deux fils entre loco et tender.
Ce ne sont que quelques idées d\'un modeste bricoleur qui rêve lui aussi de faire rouler la même machine un jour sur son (futur) réseau.
Amicalement.
une de dernière génération (la verte avec les filets )avait le moteur (placé en biais) dans le tender...et donc bien entendu ce fut facile...
les 3 autres équipées de moteurs saucisson l\'option a été prise effectivement de placer le décodeur dans le tender..mais on voit les fils passer ...
Par la suite sur le net j\'ai trouvé un internaute qui avait réussi (en rognant du lest) a caser le décodeur sous la chaudière..
Voici les images

et voici les branchements

Amicalement
Jean-Claude
http://www.lesamisdurailftm.net/
- Fichiers joints
-
- digital_231_C60.jpg (183.38 Kio) Vu 6798 fois
L'expérience est une lanterne attachée dans notre dos, qui n'éclaire que le chemin parcouru.Confucius
blog: http://papybricolo.over-blog.com/
Amicalement
Jean-Claude
blog: http://papybricolo.over-blog.com/
Amicalement
Jean-Claude
Utilisateurs parcourant ce forum : Aucun utilisateur enregistré et 2 invités
