ROULNET

Toutes vos questions ou commentaires concernant l’électronique analogique ...

Modérateurs : Patrice, Arnaud Guyon, Philippe Cousyn, Tibrus

Avatar du membre
Christou
Brigitte
Brigitte
Messages : 3354
Enregistré le : 18 juin 2008 11:19

ROULNET

Message par Christou »

J'ouvre un nouveau fil. Selon les moteurs, récents ou pas, la calamine s'installe vite sur les roues preneuses de courant et j'en fait encore l'expérience avec ma 141P102 revisitée remotorisée avec un kit IProd' avec moteur MABUSHI. Trois tours, de mon réseau soit 150 m environ suffisent pour rendre la machine hoquetante. L'ancien Roulnet était encombrant et je n'en voyait pas l'utilité. Le problème c'est qu'avec des hélicoïdales en rampe, la force de traction, surtout avec des rames lourdes , fait décoller légèrement les roues du rail en provoquant des micro étincelles. C'est encore aggravé avec une alimentation en courant pulsé avec le Gauge Master MARK IV. J'aimerai connaitre le schéma des composants qui j'espère sont maintenant miniaturisés. La place est très limitée. Merci de votre aide.
Avatar du membre
Patrick BARBIER
Jacquemin
Jacquemin
Messages : 1325
Enregistré le : 18 févr. 2012 14:00

Re: ROULNET

Message par Patrick BARBIER »

Christian

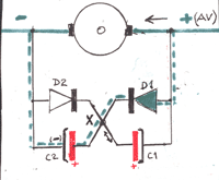
Ce sont les deux condensateurs qui prennent le plus de place, les deux diodes étant plus petites.
roulnet (2).jpg
anti etaincelles.JPG
albina
Coucou
Coucou
Messages : 9
Enregistré le : 19 févr. 2020 14:16

Re: ROULNET

Message par albina »

Salut
J'ai dû d'abord "googler" pour savoir ce que c'est que ce Roulnet...
Que j'utilise depuis longtemps sans le savoir :)

Il y a plus de 40 ans quand j'ai commencé mon réseau en Jouefmatic, je m'étais aperçu du problème causé par les pointes de tension sur les collecteurs.
J'avais monté 2 diodes zener 39V en tête-bêche en parallèle sur le collecteur.
Elles "bouffent" toutes les surtensions...
De plus, dans les locos où la place le permet, j'avais ajouté un circuit RC.
Avatar du membre
Jean-Luc92
Danseuse
Danseuse
Messages : 517
Enregistré le : 01 déc. 2007 20:04
Contact :

Re: ROULNET

Message par Jean-Luc92 »

Bonsoir

Le montage de deux condensateurs polarisés en tête bêche avec deux diodes, est équivalent à un seul condensateur non polarisé de demi valeur.

On peut donc utiliser un condensateur non polarisé (pas de (+) ni de (-)) de 22 µF, de tension >= 25 volts, comme ici : https://www.ebay.fr/itm/30pcs-Panasonic ... Swk3BbYCyJ

c'est parfois des condensateurs audio pour enceinte, c'est pour cela qu'ils sont aussi chers.

Après, il faut voir si ce condensateur est plus petit que deux de 47 µF polarisés.

Pour éviter les étincelles, je passe une sorte d'huile sur les rails, qui fait contact sous pression. Il n'y a plus d’étincelage, mais cela risque de patiner dans les côtes.

A+
Avatar du membre
Christou
Brigitte
Brigitte
Messages : 3354
Enregistré le : 18 juin 2008 11:19

Re: ROULNET

Message par Christou »

Merci à tous . Pour moi c'est un problème de place. Je trouve les condensateurs trop gros. Je vais voir ça. Maintenant ils ont dû diminuer en taille. Par contre, pour les machines avec prise de courant en diagonale …pôle plus sur la machine et moins sur le tender et inversement..(RIVAROSSI, LILLIPUT). En ce qui concerne les rails gras, c'est exclu en rampe, si on veux des longueurs de convoi digne de ce nom...
Avatar du membre
Patrick BARBIER
Jacquemin
Jacquemin
Messages : 1325
Enregistré le : 18 févr. 2012 14:00

Re: ROULNET

Message par Patrick BARBIER »

Christian

Tu n'es pas obligé de placer les condensateurs l'un à coté de l'autre . Tu peux les séparer et ensuite faire une jonction avec des fils :lol: :lol:
T-Cablage-et-Roulnet-dans-tender.JPG
Avatar du membre
Christou
Brigitte
Brigitte
Messages : 3354
Enregistré le : 18 juin 2008 11:19

Re: ROULNET

Message par Christou »

Merci Patrick. Mais je dois équiper des tenders où la place est réduite par le kit IProd'. C'est l'encombrement des condensateurs qui posent problème. Peux tu me dire leurs dimensions sur ceux de la photo ?
Avatar du membre
Patrick BARBIER
Jacquemin
Jacquemin
Messages : 1325
Enregistré le : 18 févr. 2012 14:00

Re: ROULNET

Message par Patrick BARBIER »

pour le condo
longueur 11 mm + pattes
diamètre 5 mm
Avatar du membre
Christou
Brigitte
Brigitte
Messages : 3354
Enregistré le : 18 juin 2008 11:19

Re: ROULNET

Message par Christou »

Merci. Je vais commander ça déjà pour 4 locomotives équipées IProd . ;)
Avatar du membre
Christou
Brigitte
Brigitte
Messages : 3354
Enregistré le : 18 juin 2008 11:19

Re: ROULNET

Message par Christou »

J'ai trouvé des condo Panasonic chez Conrad 25 V 47 uF diam 5mmx11mm. Comme je suis nul en électronique il y des diodes 1 N 4001 standard ou à redressement . Lesquels choisir?
Avatar du membre
Patrick BARBIER
Jacquemin
Jacquemin
Messages : 1325
Enregistré le : 18 févr. 2012 14:00

Re: ROULNET

Message par Patrick BARBIER »

Christian

les diodes 1N4001 font l'affaire :smilie: :smilie:
Avatar du membre
Christou
Brigitte
Brigitte
Messages : 3354
Enregistré le : 18 juin 2008 11:19

Re: ROULNET

Message par Christou »

Un grand merci . :smilie: :smilie: :smilie:
Avatar du membre
Christou
Brigitte
Brigitte
Messages : 3354
Enregistré le : 18 juin 2008 11:19

Re: ROULNET

Message par Christou »

J'ai reçu mes composants. D'après les photos ci-avant, on dirait que le branchement électronique est en parallèle avec la prise de courant. J'ai lu que la prise de courant devait impérativement être branchée directement sur le montage. Je me trompe?
Avatar du membre
Patrick BARBIER
Jacquemin
Jacquemin
Messages : 1325
Enregistré le : 18 févr. 2012 14:00

Re: ROULNET

Message par Patrick BARBIER »

Non il faut faire ton montage comme sur la première image.
Avatar du membre
Christou
Brigitte
Brigitte
Messages : 3354
Enregistré le : 18 juin 2008 11:19

Re: ROULNET

Message par Christou »

C'est la raison pour laquelle j'ai posé la question. Sur le site https://relax-fer.pagesperso-orange.fr/roulnet.htm il y a un schéma qui montre que le Roulnet est en parallèle avec l'alim' voie , ce qui me simplifierait le câblage et le manque de place:
Projet3.gif
Projet3.gif (7.78 Kio) Vu 14480 fois
C'est mauvais?

Désolé d'être si nul... :redface:
Répondre