Re: Une gare cachée d\'un nouveau genre.(suite)
Modérateurs : Patrice, Arnaud Guyon, Philippe Cousyn, Tibrus
Une gare cachée d'un nouveau genre.(suite)
Archives de l'ancien forum
Une gare cachée d'un nouveau genre.(suite)
Bonjour; amis des automatismes.
Pour ceux qui connaissent la saga ; voilà une petite mise à jour de mon installation suite (encore et toujours) à utilisation en temps réel.
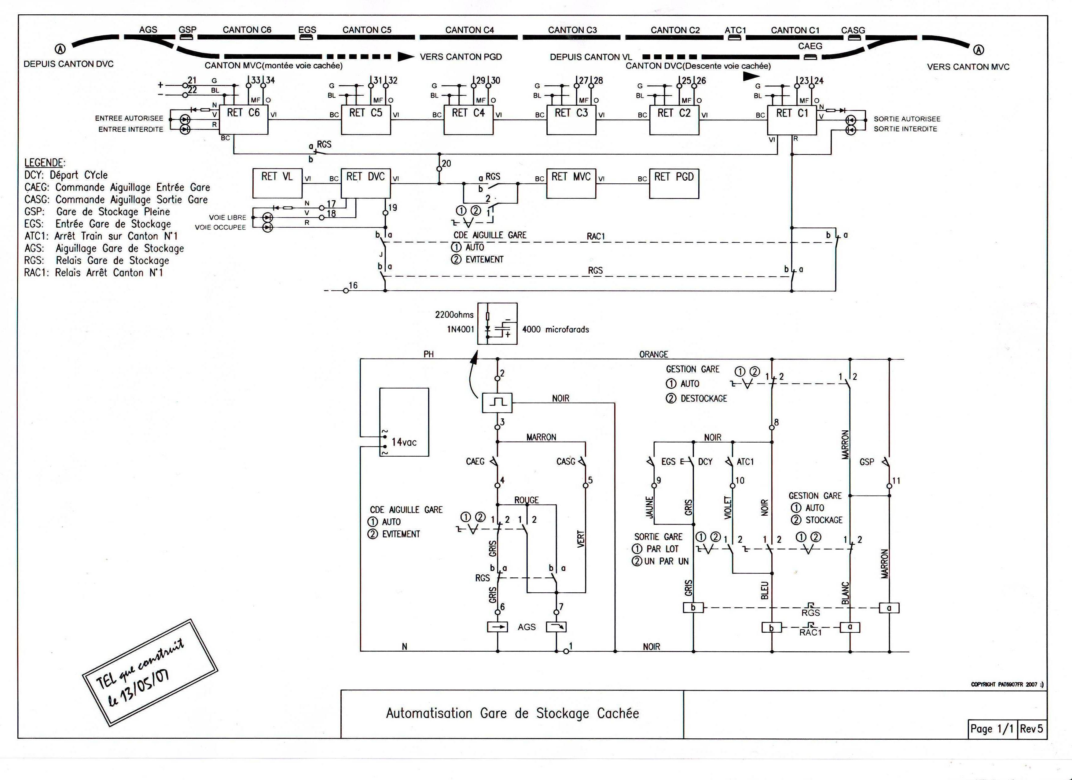
Pour les autres ce schéma sert à stocker dans une gare cachée plusieurs trains à la queue leu leu.(6 dans ma configuration) Il y a un bloc systeme installé sur cette voie unique; il assure le ralentissement l'arret et le redemarrage progressif des trains dans la gare. Les cantons d'entrée et de sortie (dvc et c1 ) sont asservis à l'automatisme et on leur impose suivant les besoins un feu rouge. il faut comprendre que la sortie de la gare cachée (repérée A) est située juste avant l'entrée et son aiguillage AGS d'acces au canton C6 de la gare cachée. Ca parait bizarre mais je joins un plan de mes voies qui éclaircira un peu le délire apparent.
Le fonctionnement est normalement automatique avec entrée des trains jusqu'à remplissage puis sortie; soit un par un; soit par paquet de douze
enfin plutôt de trois ou quatre.
On peut forcer le remplissage; forcer la vidange ; forcer l'evitement par tous les trains et il faut un petit bouton pour relancer le cycle suivant les actions forcées, qui désactivent de fait l'automatisme de base. Tous les aléas n'ont pas été supprimés; pas evident si on veut garder un schéma simple (2 relais bistables; 4 commutateurs et 1 poussoir en tout et pour tout
si vous avez remarqué
)
Si certains sont interessés je développerai plus.


Bon y manquait juste les photos; presque rien quoi
Si quelqu'un les veux plus nettes qu'il me fasse signe
; j'arrive pas a faire mieuxavec toutes ces conversions; j'ai honte :/ 
Voilà les adresses (données par propriété sen clic droit sur l'image
)
Cà devrait etre plus lisible
http://www.casimages.com/img/jpg/070710 ... 837162.jpg
http://www.casimages.com/img/jpg/070710 ... 837174.jpg
Amicalement
Patrick
Pour ceux qui connaissent la saga ; voilà une petite mise à jour de mon installation suite (encore et toujours) à utilisation en temps réel.
Pour les autres ce schéma sert à stocker dans une gare cachée plusieurs trains à la queue leu leu.(6 dans ma configuration) Il y a un bloc systeme installé sur cette voie unique; il assure le ralentissement l'arret et le redemarrage progressif des trains dans la gare. Les cantons d'entrée et de sortie (dvc et c1 ) sont asservis à l'automatisme et on leur impose suivant les besoins un feu rouge. il faut comprendre que la sortie de la gare cachée (repérée A) est située juste avant l'entrée et son aiguillage AGS d'acces au canton C6 de la gare cachée. Ca parait bizarre mais je joins un plan de mes voies qui éclaircira un peu le délire apparent.
Le fonctionnement est normalement automatique avec entrée des trains jusqu'à remplissage puis sortie; soit un par un; soit par paquet de douze
On peut forcer le remplissage; forcer la vidange ; forcer l'evitement par tous les trains et il faut un petit bouton pour relancer le cycle suivant les actions forcées, qui désactivent de fait l'automatisme de base. Tous les aléas n'ont pas été supprimés; pas evident si on veut garder un schéma simple (2 relais bistables; 4 commutateurs et 1 poussoir en tout et pour tout
Si certains sont interessés je développerai plus.


Bon y manquait juste les photos; presque rien quoi
Si quelqu'un les veux plus nettes qu'il me fasse signe
Voilà les adresses (données par propriété sen clic droit sur l'image
Cà devrait etre plus lisible
http://www.casimages.com/img/jpg/070710 ... 837162.jpg
http://www.casimages.com/img/jpg/070710 ... 837174.jpg
Amicalement
Patrick
Une gare cachée d'un nouveau genre.(suite)
rebonjour amis automaticiens en electrotechnique 
J'ai relevé une erreur de saisie sur mon schéma; le dessinateur a evidemment été immediatement fired. La valeur de la resistance avant le condensateur est de 220 ohms et non pas 2200 ohms.
C'est le petit detail situé au milieu du schéma et avec 2200 ohms ; le temps de recharge du condensateur serait interminable alors qu'il lui faut au maximum 3 ou 4s normalement.
comme quoi il ne faut jamais se verifier soi même ; surtout dans la foulée.
Amicalement
Patrick honteux et confus
J'ai relevé une erreur de saisie sur mon schéma; le dessinateur a evidemment été immediatement fired. La valeur de la resistance avant le condensateur est de 220 ohms et non pas 2200 ohms.
C'est le petit detail situé au milieu du schéma et avec 2200 ohms ; le temps de recharge du condensateur serait interminable alors qu'il lui faut au maximum 3 ou 4s normalement.
comme quoi il ne faut jamais se verifier soi même ; surtout dans la foulée.
Amicalement
Patrick honteux et confus
Une gare cachée d'un nouveau genre.(suite)
On voit pas le plan

Bien a vous ..
Bien a vous ..
Une gare cachée d'un nouveau genre.(suite)
pat6907fr a écrit :Voilà les adresses (données par propriété sen clic droit sur l'image)
Cà devrait etre plus lisible
http://www.casimages.com/img/jpg/070710 ... 837162.jpg
http://www.casimages.com/img/jpg/070710 ... 837174.jpg
Amicalement
Patrick
Une gare cachée d'un nouveau genre.(suite)
Sorry,
Je reviens a la charge mais sur " http://dl.free.fr/ "
ce site peut nous aidé ... même pour la famille si vous avez des photos perso ...
Cordialement
Je reviens a la charge mais sur " http://dl.free.fr/ "
ce site peut nous aidé ... même pour la famille si vous avez des photos perso ...
Cordialement
Une gare cachée d'un nouveau genre.(suite)
Pat toujours dispo sur MSN ??
Bien a toi ...
Bien a toi ...
Une gare cachée d'un nouveau genre.(suite)
Perso c'est toujours : xmad@freesurf.fr
Cordialement
Cordialement
Une gare cachée d'un nouveau genre.(suite)
Et devinez qui vient d'avoir une idée lumineuse? c'est mon ami 242TC.
On peut facilement doubler(au maximum) le nombre de trains cachés ; simplement avec des rails en pluche ; deux aiguillages et un inverseur de commande à point milieu pour les aiguillages. (il faudra aussi un relais bistable si les aiguillages sont pas des peco qui alimentent la voie suivant leur orientation).
Principe: creer une voie parallele à la voie cachée d'origine; découpée comme celle d'origine et prise en parallele pour les alimentations de chaques zone ralentissement et demarrage progressif. Il suffit ensuite de couper le plus de la voie en fonction de la position de l'aiguille. Evidemment; ce choix est entièrement manuel et necessite de voir où sont les trains en mouvement avant de manoeuvrer l'aiguille d'entrée. Mais on doit pouvoir automatiser tout çà;)
hmmmm; trèèèès interessante l'idée de 242TC :P:P:P (que je remercie)
patrick qui va cogiter
ps: On peut aussi de la sorte avoir une voie avec des cantons courts et l'autre voie avec des cantons longs; et à nous les rames de porte container à perte de vue
(242tc's idea too
)
On peut facilement doubler(au maximum) le nombre de trains cachés ; simplement avec des rails en pluche ; deux aiguillages et un inverseur de commande à point milieu pour les aiguillages. (il faudra aussi un relais bistable si les aiguillages sont pas des peco qui alimentent la voie suivant leur orientation).
Principe: creer une voie parallele à la voie cachée d'origine; découpée comme celle d'origine et prise en parallele pour les alimentations de chaques zone ralentissement et demarrage progressif. Il suffit ensuite de couper le plus de la voie en fonction de la position de l'aiguille. Evidemment; ce choix est entièrement manuel et necessite de voir où sont les trains en mouvement avant de manoeuvrer l'aiguille d'entrée. Mais on doit pouvoir automatiser tout çà;)
hmmmm; trèèèès interessante l'idée de 242TC :P:P:P (que je remercie)
patrick qui va cogiter
ps: On peut aussi de la sorte avoir une voie avec des cantons courts et l'autre voie avec des cantons longs; et à nous les rames de porte container à perte de vue
- cc7001
- Sybic

- Messages : 1819
- Enregistré le : 09 sept. 2010 15:49
- Localisation : rhône
- Epoque(s) : III à VI
- Région(s) pratiquée(s) : sud est 1500v
- Echelle(s) pratiquée(s) : H0
- Contact :
Re: Une gare cachée d\'un nouveau genre.(suite)
2007 ; p... 4 ans et je deterre ce fil car à l\'usage il s\'est avéré qu\'une gare cachée devient vite un cimetiere pour train si on n\'y prend pas garde.
Ma gare cachée compte 6 cantons ; et finalement l\'utilisation du réseau a montré une chose:
On fait rouler les trains qui sont sur la voie principale; et parfois on met le cycle automatique en route et les trains cachés font leur tour ; puis (re)rentrent dans leur trou.
Comme mon réseau est simulé sur catrain; le logiciel utilise la gare cachée comme une prolongation de la voie principale.
Qu\'a cela ne tienne; en voilà une idée qu\'elle est bonne :P ; j\'ai rajouté cette fonction à mon automatisme ; en modifiant quelques fils dans le coffret . Après trois essais qui on couté la vie à l\'aiguille d\'entrée :unsure: ; çà marche; un commutateur a changé de fonction et ma gare cachée devient une portion du reseau complémentaire . On a donc 16 cantons sur la voie principale; ce qui permet de faire tourner 8 trains quasiment sans effet chenille trop marqué.
Comment çà marche:
Le train qui arrive du réseau rentre dans la gare cachée ; les rails de commande sont inhibés et le train fait donc le tour de la gare cachée.
Tout train suivant; rentre lui aussi dans la gare cachée.
Lorsque le train arrive vers la sortie ; il met au rouge la voie d\'accès du réseau ; le train sort ; et remet au vert cette voie d\'accès. Et ainsi de suite. B)
Le principal stress; bien connu des exploitants et le deraillement d\'un wagon ; et avec 8 trains en circulation ; :blink: le palpitant et les oreilles sont à rude epreuve
Je ferai passer le schéma modifié; et comme d\'hab ; c\'est toujours à la relecture qu\'on s\'apercoit qu\'on a fait une usine à gaz dans la premiere version :S
En resumé ; on peut:
soit utiliser la gare cachée comme extension du réseau.
soit en automatique stocker les 6 trains ; quand le 6e est rentré le premier est libéré
soit garer les 6 premiers trains qui se presentent; le 7e evite la gare.
soit faire sortir tout le cheptel.
soit faire éviter la gare cachée à tous les trains.
et tout çà avec:
4 commutateurs
1 poussoir inverseur a rappel au centre.(depart cycle)
deux relais bistables.
et bien sûr les 6 cartes de bloc systeme de la gare.
Ma gare cachée compte 6 cantons ; et finalement l\'utilisation du réseau a montré une chose:
On fait rouler les trains qui sont sur la voie principale; et parfois on met le cycle automatique en route et les trains cachés font leur tour ; puis (re)rentrent dans leur trou.
Comme mon réseau est simulé sur catrain; le logiciel utilise la gare cachée comme une prolongation de la voie principale.
Qu\'a cela ne tienne; en voilà une idée qu\'elle est bonne :P ; j\'ai rajouté cette fonction à mon automatisme ; en modifiant quelques fils dans le coffret . Après trois essais qui on couté la vie à l\'aiguille d\'entrée :unsure: ; çà marche; un commutateur a changé de fonction et ma gare cachée devient une portion du reseau complémentaire . On a donc 16 cantons sur la voie principale; ce qui permet de faire tourner 8 trains quasiment sans effet chenille trop marqué.
Comment çà marche:
Le train qui arrive du réseau rentre dans la gare cachée ; les rails de commande sont inhibés et le train fait donc le tour de la gare cachée.
Tout train suivant; rentre lui aussi dans la gare cachée.
Lorsque le train arrive vers la sortie ; il met au rouge la voie d\'accès du réseau ; le train sort ; et remet au vert cette voie d\'accès. Et ainsi de suite. B)
Le principal stress; bien connu des exploitants et le deraillement d\'un wagon ; et avec 8 trains en circulation ; :blink: le palpitant et les oreilles sont à rude epreuve
Je ferai passer le schéma modifié; et comme d\'hab ; c\'est toujours à la relecture qu\'on s\'apercoit qu\'on a fait une usine à gaz dans la premiere version :S
En resumé ; on peut:
soit utiliser la gare cachée comme extension du réseau.
soit en automatique stocker les 6 trains ; quand le 6e est rentré le premier est libéré
soit garer les 6 premiers trains qui se presentent; le 7e evite la gare.
soit faire sortir tout le cheptel.
soit faire éviter la gare cachée à tous les trains.
et tout çà avec:
4 commutateurs
1 poussoir inverseur a rappel au centre.(depart cycle)
deux relais bistables.
et bien sûr les 6 cartes de bloc systeme de la gare.
- cc7001
- Sybic

- Messages : 1819
- Enregistré le : 09 sept. 2010 15:49
- Localisation : rhône
- Epoque(s) : III à VI
- Région(s) pratiquée(s) : sud est 1500v
- Echelle(s) pratiquée(s) : H0
- Contact :
Re: Une gare cachée d\'un nouveau genre.(suite)

Voilà la derniere mouture qui fonctionne.
Si vous désirez des explications je me ferai un plaisir de décortiquer pas à pas le schéma qui quand on le prend brut de fonderie parait totalement incomprehensible :blink:
Il faut savoir deux choses sur les cantons pour mieux apréhender le fonctionnement:
Chaque canton peut etre mis au rouge en envoyant une polarité - sur le fil rouge.
Le fil banc (si le canton est occupé) signale au canton précédent (via le fil violet de ce dernier) la présence du train. Il met donc le canton précédent au rouge de ce fait.
Il peut aussi mettre deux cantons différents au rouge ; comme sur le schéma ou le canton C6 occupé (gare cachée pleine) peut mettre le canton C1 et le canton DVC au rouge SIMULTANEMENT.
Bon reste plus qu\'a poser la face avant du tco; et faire fonctionner tout ce petit monde ; qui ne l\'oublions pas est normalement entièrement caché au visiteur.
- cc7001
- Sybic

- Messages : 1819
- Enregistré le : 09 sept. 2010 15:49
- Localisation : rhône
- Epoque(s) : III à VI
- Région(s) pratiquée(s) : sud est 1500v
- Echelle(s) pratiquée(s) : H0
- Contact :
Re: Une gare cachée d\'un nouveau genre.(suite)
Après de nombreux essais ; il a fallu encore remodifier ce f..... câblage , car ; il y a la théorie (on croit qu\'on sait tout) et la pratique (çà fonctionne mais on sait pas pourquoi)
Avec 11 trains simultanément ; on arrive fatalement à un blocage; car la voie principale ne compte que 10 cantons; et ce stupide automatisme empêche donc les trains de rentrer dans la gare cachée vide; vu qu\'ils voient un train devant l\'accès . Trop de sécurité sans doute ; mais une chose est sûre : çà marche et c\'est vraiment le grand bonheur. Faut juste éviter de vidanger la gare cachée complètement sinon; ya un bouchon :S (lyonnais
)
Et évidemment je vous fait grâce de la loc qui se dételle sans rien dire et disparait sur le réseau ; des tampons qui petit à petit se démanchent (même collés) de leur châssis et parsèment le réseau (j\'en ai une pleine caisse
) Du fil électrique qui doit avoir des antécédents cobra pour se tortiller et accrocher un wagon au passage :huh: de la rame de citernes qui mystérieusement refuse de circuler sur le réseau et se met à dérailler partout sans explications (après 20 tours sans problèmes)
J\'arrive à croire qu\'il y a des petits trolls qui sabotent l\'installation dès que j\'ai le dos tourné
Les joies de l\'exploitant quoi. :blink: :woohoo: :S
Avec 11 trains simultanément ; on arrive fatalement à un blocage; car la voie principale ne compte que 10 cantons; et ce stupide automatisme empêche donc les trains de rentrer dans la gare cachée vide; vu qu\'ils voient un train devant l\'accès . Trop de sécurité sans doute ; mais une chose est sûre : çà marche et c\'est vraiment le grand bonheur. Faut juste éviter de vidanger la gare cachée complètement sinon; ya un bouchon :S (lyonnais
Et évidemment je vous fait grâce de la loc qui se dételle sans rien dire et disparait sur le réseau ; des tampons qui petit à petit se démanchent (même collés) de leur châssis et parsèment le réseau (j\'en ai une pleine caisse
J\'arrive à croire qu\'il y a des petits trolls qui sabotent l\'installation dès que j\'ai le dos tourné
Les joies de l\'exploitant quoi. :blink: :woohoo: :S
- cc7001
- Sybic

- Messages : 1819
- Enregistré le : 09 sept. 2010 15:49
- Localisation : rhône
- Epoque(s) : III à VI
- Région(s) pratiquée(s) : sud est 1500v
- Echelle(s) pratiquée(s) : H0
- Contact :
Re: Une gare cachée d\'un nouveau genre.(suite)
Amis des gares cachées bonjour.
Après une longue absence; le retour sur cette fameuse gare qui avait entre autre un défaut rhédibitoire pour certains ; et je les comprends: on ne pouvait pas sortir le train qu'on voulait quand on voulait.
J'ai trouvé une solution qui s'applique à ma configuration ; car la sortie est avant l'entrée.
On va dire qu'on fait fonctionner la gare "en canard".
6 trains peuvent être garés mais pour cette option il ne faut en garder que 5 sinon prévoir les secours. Un simple inter disponible force les trains qui sortent à re-rentrer immédiatement dans la gare. il suffit ensuite de guetter le train choisi ; et annuler le dispositif.
Le train sortant est alors renvoyé vers la surface et peut faire son tour de parade qui va bien. (ou retourner vers la gare terminus ; ou les voies de garages visibles ; ou stopper devant la gare de passage
)
Voilà qui met un terme à cette installation ; ah si au fait; elle fonctionne aussi en digital maintenant ; mais c'est hors sujet quoique le bloc système à base de 5206 viessmann fonctionne aussi en analogique .
Après une longue absence; le retour sur cette fameuse gare qui avait entre autre un défaut rhédibitoire pour certains ; et je les comprends: on ne pouvait pas sortir le train qu'on voulait quand on voulait.
J'ai trouvé une solution qui s'applique à ma configuration ; car la sortie est avant l'entrée.
On va dire qu'on fait fonctionner la gare "en canard".
6 trains peuvent être garés mais pour cette option il ne faut en garder que 5 sinon prévoir les secours. Un simple inter disponible force les trains qui sortent à re-rentrer immédiatement dans la gare. il suffit ensuite de guetter le train choisi ; et annuler le dispositif.
Le train sortant est alors renvoyé vers la surface et peut faire son tour de parade qui va bien. (ou retourner vers la gare terminus ; ou les voies de garages visibles ; ou stopper devant la gare de passage
Voilà qui met un terme à cette installation ; ah si au fait; elle fonctionne aussi en digital maintenant ; mais c'est hors sujet quoique le bloc système à base de 5206 viessmann fonctionne aussi en analogique .
- Arnaud Guyon
- Administrateur

- Messages : 526
- Enregistré le : 29 août 2014 17:05
- Epoque(s) : III à VI
- Région(s) pratiquée(s) : Sud-Est
- Echelle(s) pratiquée(s) : H0
- Contact :
Re: Re: Une gare cachée d\'un nouveau genre.(suite)
Super ! Possible d'avoir quelques photos ?
Arnaud Guyon
Auteur, webmaster et community manager
Auteur, webmaster et community manager
- cc7001
- Sybic

- Messages : 1819
- Enregistré le : 09 sept. 2010 15:49
- Localisation : rhône
- Epoque(s) : III à VI
- Région(s) pratiquée(s) : sud est 1500v
- Echelle(s) pratiquée(s) : H0
- Contact :
Re: Une gare cachée d\'un nouveau genre.(suite)
18 mois plus tard ; un zelio pointe le bout de son nez.
Mais pourquoi faire? çà marche avec deux relais ; 5 rails de commande et des interrupteurs.
Et bien l'idée , c'est de compter les trains et en relayage j'imagine vite l'usine à gaz nécessaire.
Avec le petit module programmable ; c'est possible.
On pourra compter et décompter les trains qui rentrent et sortent de la gare cachée ; faire croire à l'automatisme qu'il y a plus ou moins de trains (ex : on veut que seuls deux trains se garent ; on "dit" à l'automate qu'il y en a déjà 4 virtuels et comme il vous croit sur parole il en laisse rentrer 2 et c'est tout.
Du coup on pourra aussi choisir quel train on veut sortir de la gare cachée ; il faudra par contre noter quelque part l'ordre des trains garés (sur une ardoise magnétique
) et le programme va faire tourner les trains en rond dans la gare cachée jusqu'au train choisi qui va sortir et seulement lui.
C'est sûr que la disposition de l'entrée juste après la sortie se prête parfaitement à cette possibilité (coup de bol).
Le programme est prêt ; reste à décâbler le coffret et le recâbler avec le module qui va remplacer toute l'ancienne installation.
Enfin çà ; c'est la théorie mais je reviendrai vers vous quand çà marchera comme je l'espère.
Mais pourquoi faire? çà marche avec deux relais ; 5 rails de commande et des interrupteurs.
Et bien l'idée , c'est de compter les trains et en relayage j'imagine vite l'usine à gaz nécessaire.
Avec le petit module programmable ; c'est possible.
On pourra compter et décompter les trains qui rentrent et sortent de la gare cachée ; faire croire à l'automatisme qu'il y a plus ou moins de trains (ex : on veut que seuls deux trains se garent ; on "dit" à l'automate qu'il y en a déjà 4 virtuels et comme il vous croit sur parole il en laisse rentrer 2 et c'est tout.
Du coup on pourra aussi choisir quel train on veut sortir de la gare cachée ; il faudra par contre noter quelque part l'ordre des trains garés (sur une ardoise magnétique
C'est sûr que la disposition de l'entrée juste après la sortie se prête parfaitement à cette possibilité (coup de bol).
Le programme est prêt ; reste à décâbler le coffret et le recâbler avec le module qui va remplacer toute l'ancienne installation.
Enfin çà ; c'est la théorie mais je reviendrai vers vous quand çà marchera comme je l'espère.


