Lenz LE 135
Modérateurs : Patrice, Arnaud Guyon, Philippe Cousyn, Tibrus
- Alain355
- Sybic

- Messages : 1581
- Enregistré le : 22 avr. 2007 10:03
- Localisation : Pas loin de Paris
- Contact :
Lenz LE 135
D'ailleurs la RE soudure orange se voit encore plus sur ta photo avec le message 11. Décodeur pas acheté neuf ?
Lenz LE 135
Je pense comme vous, et je vais tenter ma chance en suivant l'ordre donné par la photo envoyée par Lenz.
Par ailleurs, j'ai remonté l'historique de mon décodeur. J'ai commandé une loco suisse trix neuve chez un revendeur allemand en lui demandant de l'équiper d'un décodeur. Sans doute le changement a-t-il été fait par le revendeur. Le décodeur etait-il neuf ou pas, lui seul doit le savoir.
Qu'importe, je vais faire un essai cet après midi.
En tout cas merci de votre aide.
Par ailleurs, j'ai remonté l'historique de mon décodeur. J'ai commandé une loco suisse trix neuve chez un revendeur allemand en lui demandant de l'équiper d'un décodeur. Sans doute le changement a-t-il été fait par le revendeur. Le décodeur etait-il neuf ou pas, lui seul doit le savoir.
Qu'importe, je vais faire un essai cet après midi.
En tout cas merci de votre aide.
Lenz LE 135
Bonsoir,
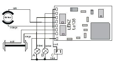
Voici le schéma des câbles des décodeurs LE134 et LE135.
Les décodeurs LE134 et LE135 sont techniquement identiques et possèdent tous deux la même platine avec l’inscription "LE135". La différence réside uniquement dans le fait que le LE135 est équipé d’une interface de connexion normalisée NEM 652.
Ces décodeurs étaient capables de délivrer un courant maximal de 1,3 A au moteur. On pouvait donc les utiliser aussi pour les locos LGB.

C'est l'ordre des câbles du schéma Lenz qu'il faut respecter.
Voici le schéma des câbles des décodeurs LE134 et LE135.
Les décodeurs LE134 et LE135 sont techniquement identiques et possèdent tous deux la même platine avec l’inscription "LE135". La différence réside uniquement dans le fait que le LE135 est équipé d’une interface de connexion normalisée NEM 652.
Ces décodeurs étaient capables de délivrer un courant maximal de 1,3 A au moteur. On pouvait donc les utiliser aussi pour les locos LGB.

C'est l'ordre des câbles du schéma Lenz qu'il faut respecter.
Lenz LE 135
Merci de cette réponse exhaustive. J'ai bien resoudé le cablage comme indiqué sur ton schéma et bingo çà marche. Merci de m'avoir indiquer la puissance du décodeur. je vais essayer de m'en servir comme décodeur unique d'une UM de BB 8000.
Par ailleurs, j'ai découvert ton site et je me suis régalé. Bravo, je vais suivre la progression de ton réseau avec gourmandise et je vais largement m'instruite de toutes les tuyaux que tu y présentes.
Encore merci et bon courage
Par ailleurs, j'ai découvert ton site et je me suis régalé. Bravo, je vais suivre la progression de ton réseau avec gourmandise et je vais largement m'instruite de toutes les tuyaux que tu y présentes.
Encore merci et bon courage


