Le RFT : Réseau Ferroviaire de la Tour

Faites nous part de vos réalisations

Modérateurs : Patrice, Arnaud Guyon, Philippe Cousyn, Tibrus

Avatar du membre
Tibrus
Modérateur
Modérateur
Messages : 9828
Enregistré le : 31 mai 2008 08:23
Localisation : Dans mon sous-sol
Epoque(s) : IV, V et VI
Région(s) pratiquée(s) : Un penchant pour Rhone Alpes
Echelle(s) pratiquée(s) : H0
Contact :

Re: Le RFT : Réseau Ferroviaire de la Tour

Message par Tibrus »

La solution est donc de ne pas faire suivre la même polarité tout le long
Mais en contre partie, il faudra inverser celle-ci dans les boucles par exemple
La longueur L devant être aussi longue que le plus long des convoi

Image

Le train arrivant au point A ou C par exemple fera basculer L dans la polarité d\'ou arrive le train
Et en sortant de L la polarité passera à l\'identique de celle ou va le train

Du coté des aiguillages et bien la c\'est nickel cette fois

Droit :

Image

Devié :

Image

C\'est bon tout le monde à compris :laugh: :laugh: :laugh:
Fichiers joints
Digi09.jpg
Digi09.jpg (32.19 Kio) Vu 4160 fois
Digi08.jpg
Digi08.jpg (33.56 Kio) Vu 4160 fois
Digi07.jpg
Digi07.jpg (36.87 Kio) Vu 4160 fois
Avatar du membre
Tibrus
Modérateur
Modérateur
Messages : 9828
Enregistré le : 31 mai 2008 08:23
Localisation : Dans mon sous-sol
Epoque(s) : IV, V et VI
Région(s) pratiquée(s) : Un penchant pour Rhone Alpes
Echelle(s) pratiquée(s) : H0
Contact :

Re: Le RFT : Réseau Ferroviaire de la Tour

Message par Tibrus »

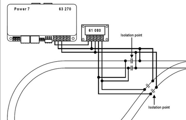
Du coup je vais devoir adapter ce schema Uhlenbrock pour pallier à ces changements de polarité
Le boitier 63270 étant le Power 7 de ce fabriquant

Image
Fichiers joints
Capture-20150924.JPG
Capture-20150924.JPG (47.55 Kio) Vu 4160 fois
Avatar du membre
Christou
Brigitte
Brigitte
Messages : 3351
Enregistré le : 18 juin 2008 11:19

Re: Le RFT : Réseau Ferroviaire de la Tour

Message par Christou »

C\'est ce que j\'ai prévu pour mon réseau concernant les polarités.Mais je suis en analogique... ;)
Avatar du membre
Tibrus
Modérateur
Modérateur
Messages : 9828
Enregistré le : 31 mai 2008 08:23
Localisation : Dans mon sous-sol
Epoque(s) : IV, V et VI
Région(s) pratiquée(s) : Un penchant pour Rhone Alpes
Echelle(s) pratiquée(s) : H0
Contact :

Re: Le RFT : Réseau Ferroviaire de la Tour

Message par Tibrus »

Cela démontre bien que le digital ce n\'est pas que deux fils :unsure:
Avatar du membre
Didier COUNASSE
Divine
Divine
Messages : 2259
Enregistré le : 31 mai 2012 13:47

Re: Le RFT : Réseau Ferroviaire de la Tour

Message par Didier COUNASSE »

Tout compris, tout compris .... j\'ai peur dans le futur lors de la mise en route de mon projet de comme en électricité, m\'énerver ... créer des court-circuits !

Bon, on peut pas vraiment se prononcer sur le futur .... :blush:
Le modélisme est un art - :smilie:
Avatar du membre
Tibrus
Modérateur
Modérateur
Messages : 9828
Enregistré le : 31 mai 2008 08:23
Localisation : Dans mon sous-sol
Epoque(s) : IV, V et VI
Région(s) pratiquée(s) : Un penchant pour Rhone Alpes
Echelle(s) pratiquée(s) : H0
Contact :

Re: Le RFT : Réseau Ferroviaire de la Tour

Message par Tibrus »

Didier COUNASSE écrit:
Tout compris, tout compris .... j\'ai peur dans le futur lors de la mise en route de mon projet de comme en électricité, m\'énerver ... créer des court-circuits !
Et bien nous serons à tes cotés pour t\'aider dans cette électricoaventure mon ami
Avatar du membre
cc7001
Sybic
Sybic
Messages : 1818
Enregistré le : 09 sept. 2010 15:49
Localisation : rhône
Epoque(s) : III à VI
Région(s) pratiquée(s) : sud est 1500v
Echelle(s) pratiquée(s) : H0
Contact :

Re: Le RFT : Réseau Ferroviaire de la Tour

Message par cc7001 »

De toute façon en digital la centrale est protégée sur court circuit et elle coupera l\'alimentation si elle en détecte un.
J\'ai mis deux centrales en opposition (roco multimaus); pas de fumée; çà coupe et c\'est tout..
Pareil entre multimaus et disjoncta 1500. soit il ne se passe rien et çà passe; soit la centrale coupe tout et le disjoncta lui ne bronche pas; vu son temps de réponse.
par contre avec du Uhlenbrock; je sais pas. :blink:

Il va sans dire que c\'était involontaire ; quoique :lol:
Mézi
Picasso
Picasso
Messages : 406
Enregistré le : 25 sept. 2013 15:46

Re: Le RFT : Réseau Ferroviaire de la Tour

Message par Mézi »

Bonjour
le temps de s\'absenter quelques jours et op ça avance tellement que j\'ai beaucoup de pages de retard a lire
bon courage pour l\'électricité et le câblage, apparemment le digital c\'est aussi compliqué qu\'en analogique...

Gérard
Avatar du membre
Tibrus
Modérateur
Modérateur
Messages : 9828
Enregistré le : 31 mai 2008 08:23
Localisation : Dans mon sous-sol
Epoque(s) : IV, V et VI
Région(s) pratiquée(s) : Un penchant pour Rhone Alpes
Echelle(s) pratiquée(s) : H0
Contact :

Re: Le RFT : Réseau Ferroviaire de la Tour

Message par Tibrus »

Je vais essayer de mettre en place quelques voies ce week-end, histoire d\'avancer un peu :P
Avatar du membre
Didier COUNASSE
Divine
Divine
Messages : 2259
Enregistré le : 31 mai 2012 13:47

Re: Le RFT : Réseau Ferroviaire de la Tour

Message par Didier COUNASSE »

Ah oui .... et tu pédales en même, cherche des cachettes et prend des photos avec le brouillard :laugh: :laugh: :laugh: !

Bon je déc.... c\'est juste qu\'on a tellement hâte de voir la suite de ton reportage à la Indianabrus .... que :blush:

J\'ai vais don contrôler ce wk l\'avancée .... attention on te surveille ;)
Le modélisme est un art - :smilie:
Avatar du membre
DS68
Ratagaz
Ratagaz
Messages : 919
Enregistré le : 08 sept. 2010 14:38
Localisation : Masevaux (68)
Epoque(s) : III
Echelle(s) pratiquée(s) : HO

Re: Le RFT : Réseau Ferroviaire de la Tour

Message par DS68 »

Tibrus écrit:
Je vais essayer de mettre en place quelques voies ce week-end, histoire d\'avancer un peu :P
Comment cela essayer, il faut le faire. Pense à tous ceux qui sont impatients. :lol:
Didier
Avatar du membre
Tibrus
Modérateur
Modérateur
Messages : 9828
Enregistré le : 31 mai 2008 08:23
Localisation : Dans mon sous-sol
Epoque(s) : IV, V et VI
Région(s) pratiquée(s) : Un penchant pour Rhone Alpes
Echelle(s) pratiquée(s) : H0
Contact :

Re: Le RFT : Réseau Ferroviaire de la Tour

Message par Tibrus »

Ok Ok si j\'en ai deux à surveiller je vais pas pouvoir passer au travers des mailles
Encore un peu de vérification de devoirs et j\'y vais ;)
Avatar du membre
Pacific
Divine
Divine
Messages : 2307
Enregistré le : 23 avr. 2007 19:55
Localisation : Sausseuzemare en Caux - 76110

Re: Le RFT : Réseau Ferroviaire de la Tour

Message par Pacific »

Tibrus écrit:
Du coup je vais devoir adapter ce schema Uhlenbrock pour pallier à ces changements de polarité
Le boitier 63270 étant le Power 7 de ce fabriquant

Image
Pourquoi n\'as tu pas choisi le LK 200 de chez Lenz qui coute moins cher :blink:
Nous n'aimons pas assez la joie
De voir les belles choses neuves
Crains qu'un jour un train de t'émeuve
Plus
                                    Apollinaire
:shock:
Avatar du membre
Tibrus
Modérateur
Modérateur
Messages : 9828
Enregistré le : 31 mai 2008 08:23
Localisation : Dans mon sous-sol
Epoque(s) : IV, V et VI
Région(s) pratiquée(s) : Un penchant pour Rhone Alpes
Echelle(s) pratiquée(s) : H0
Contact :

Re: Le RFT : Réseau Ferroviaire de la Tour

Message par Tibrus »

Pacific écrit:
Tibrus écrit:Pourquoi n\'as tu pas choisi le LK 200 de chez Lenz qui coute moins cher :blink:
Je sais plus pourquoi quand j\'avais étudier l\'option. De plus ce Power Uhlenbrock je l\'ai et il me manque l\'option relai à coté donc pas besoin du LK200
Avatar du membre
Tibrus
Modérateur
Modérateur
Messages : 9828
Enregistré le : 31 mai 2008 08:23
Localisation : Dans mon sous-sol
Epoque(s) : IV, V et VI
Région(s) pratiquée(s) : Un penchant pour Rhone Alpes
Echelle(s) pratiquée(s) : H0
Contact :

Re: Le RFT : Réseau Ferroviaire de la Tour

Message par Tibrus »

Alors voila, pour cette étage, je n\'ai pas la possibilité de percer le support pour faire passer les fils.
Car les motrices avec pantos, risquent de les accrocher. Il me faut donc les tirer vers le bords.

Pour cela j\'ai coupé le dessous de traverses pour soit souder le fil au rail soit lui permettre de passer dessous

Image

Soudure des fils

Image
Fichiers joints
000135_Soudure_Fil.JPG
000135_Soudure_Fil.JPG (92.19 Kio) Vu 4157 fois
000134_Dcoupe_Traverses_pour_Cable.JPG
000134_Dcoupe_Traverses_pour_Cable.JPG (100.11 Kio) Vu 4157 fois
Répondre